聯系我們
18903178757
- 地址:
- 河北省泊頭市富鎮開發區
- 傳真:
- 0317-8041117
- Q Q:
- 28505225
長錐體旋風除塵器
5.4.1結構特點
長錐體旋風除塵器的結構特點是有較長的錐體。除塵效率隨著錐體長度的增加而逐漸提高,阻力系數隨著錐體長度的增加而下降,但這二者, 當錐體到達一定長度時,效果則相反,因此,一般采 用錐體長度為筒體直徑的2. 8倍。
長錐體旋風除塵器的另一個特點是直筒段的長度 較短。當進口氣速小于Um/s時,直筒段的長度與除 塵效率無關;當進口氣速大于14m/s時,除塵效率因 直筒段長度的增加而提高s阻力系數隨著直筒段長度 的縮短而提高^因此,當進口氣速為14?16 m/s時, 可不設置直筒段t當進口氣速為24?26m/s時》可設 置長度為筒體直徑0. 7倍的直筒段。
長錐體旋風除塵器對纖維性的棉塵效率幾乎為 100%,-般情況下除塵效率為90%。以滑石粉為 試樣,當進Q氣速為I3?14m/s時,壓力損失為 1100?12G0P&;當進口氣速為llm/s時,壓力損失為 S00Pao
5.4.2規格系列
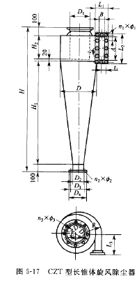
(1) CZT型長錐體旋風除塵器
CZT型長錐體旋風除塵器規格有直徑為婦90? 900mm共6種,其選型見表5-18,主要尺寸見圖5-17 和表5-19



(2) XCX型長錐體旋風除塵器
XCX型長錐體旋風除塵器除了有長錐體外,在排氣管內設置弧形減阻器,使阻力系數 下降10.5%。其規格有直徑為纟200?lSOOmm共!4種,有單管和四管兩種組合。有導向葉 輪和無導向葉輪兩種結構。
XCX型單管長錐體旋風除塵器選型見表5-20,主要尺寸見圖5-18和表5-2U XCX型四 管長錐體旋風除塵器選型見表5-22,主要尺寸見圖5-19和表5_23?表5-21弧形減阻器的 尺寸見圖5-20和表5-260






