聯系我們
18903178757
- 地址:
- 河北省泊頭市富鎮開發區
- 傳真:
- 0317-8041117
- Q Q:
- 28505225
環隙噴吹脈沖袋式除塵器
(1)結構特點
環隙噴吹脈沖袋式除塵器的結構特點是具有環隙引射器和雙膜片脈沖閥。
環隙引射器是由帶連接套管環形通道的上體,與起噴射管作用的下體組成,上、下 體之間有一環形縫隙,如圖6-43所示。濾袋清灰時,壓縮空氣由環形縫隙噴出,從而在 引射器上部形成一真空圓錐,誘導二次氣流。二股氣流沖擊振動濾袋,將濾袋上的粉塵 吹落下來。
雙膜片脈沖閥具有主膜片和控制膜片。如圖6-44所示。主膜片面積大,作用于主膜片 兩側的壓力差也大,因此,要開啟主膜片,必須先開啟控制膜片,以消除壓力差。雙膜片結 構工作可靠.抗干擾性強。
(2)系列規格
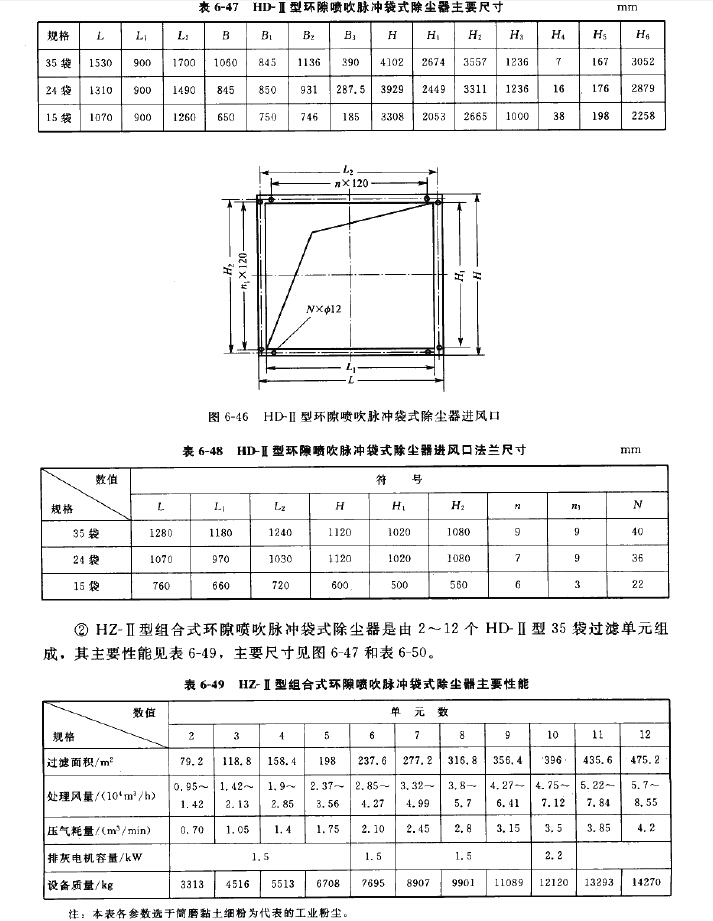
①HD-II型環隙噴吹脈沖袋式除塵器系列規格有35袋、24袋和〗5袋三種,其主要性 能見表6-46,主要尺寸見圖6-45和表6-47,進風口法蘭尺寸見圖6-46和表6-48。



②HZ-II型組合式環隙噴吹脈沖袋式除塵器是由2?12個HI>n型35袋過濾單元組 成,其主要性能見表6-49,主要尺寸見圖6-47和表6-50。


上一篇:分室引射式噴吹脈沖袋式除塵器
下一篇:QMC型逆噴式脈沖袋式除塵器

