聯系我們
18903178757
- 地址:
- 河北省泊頭市富鎮開發區
- 傳真:
- 0317-8041117
- Q Q:
- 28505225
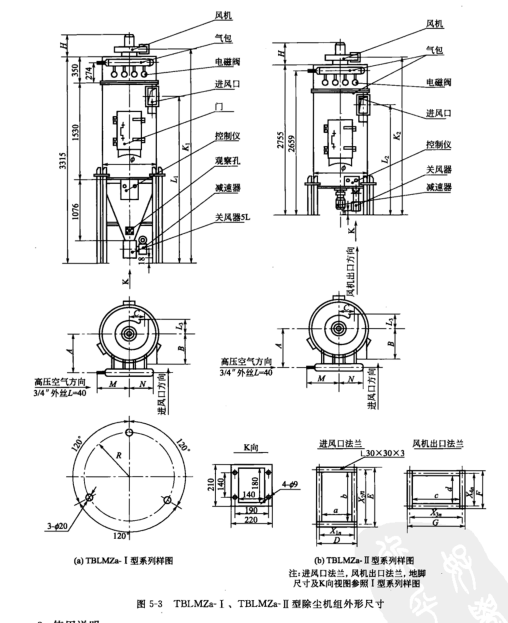
圓筒體脈沖除塵機組
圓筒體脈沖除塵機組
圓筒體脈沖除塵機組特點是采用圓筒整體結構,切線進風并增設進風導流板。形成含塵氣 體進人筒體先進行粗分離,而后進人濾袋過濾分離。風機和布筒過濾器組合成一體,從而縮短 了風網,簡化了工藝流程。這種除塵結構緊湊,體積小,便于室內安裝。本產品主要用于糧 食、飼料、面粉加工系統,輕工、化工等工礦企業含塵氣體的凈化和貴重物料回收,改善環 境,防止大氣污染。
1.技術性能
TBLMZa系列組合脈沖袋式除塵器是小型脈沖除塵機組,其技術性能見表5-3。


3.使用說明
(1)除塵機組適用于常溫無腐蝕氣體場合下工作。
(2)除塵機組要求壓縮空氣壓力為400?700kPa范圍,并經過油水分離后的潔凈空氣。
(3)開車順序是先開空壓機,再開控制儀及卸灰閥,然后打開主風機,關車順序與之相反。
(4)除塵機組的空氣進出口、出灰口、壓縮空氣氣源進氣口的相對位置可以隨時要求 改變。


上一篇:脈沖噴吹扁袋式除塵器
下一篇:電改袋在燃煤鍋爐上的應用

